021-660 32575

ISO 13849的一个补充材料。它属于以下内容我们认为插入示例将使每个人都更清楚地理解:
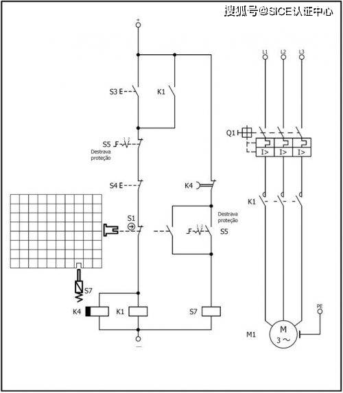
1º 例子:NBR ISO 13849-1电路
图8 – 通过接触器断电和限时解锁,与紧急停机相关的停机按类别1。

图8.1 – 模块表示 – 与安全相关的停机

图8.2 – 模块表示 – 防止在停止运动之前访问

图8.3 – 模块表示 – 防止意外启动

说明:
S1:带正触点的机械互锁装置。
S3:启动按钮。
S4:停止按钮。
S5:用于解锁电磁阀S7的开关。
S7:用于锁定执行器S1的电磁阀。
Q1:电机断路器。
K1:带机械触点的功率接触器。
K4:带延迟断电的延时继电器。
M1:三相电机。
安全功能:
与安全相关的停止功能:装置S1的动作应关闭电机。
预防意外启动功能:发动机关闭后,只有在恢复安全条件并通过按下启动按钮 S3 启动后,发动机才可启动。
在停止运动之前预防访问的功能:保护应在运动完全停止后打开。
项目特点:
基本的安全原则和经过充分测试的组件得到了遵守,并遵循了B类要求。安装了保护装置(例如:断路器)。
功率插座的触点根据 ABNT NBR IEC 60947-4-1:2018,附录 F 机械引导。
为了满足IEC60204-1:2016对过载和短路保护的要求,本电路使用了符合IEC 60947-2:2013:2014的电机断路器。
机械锁定装置应符合ISO 14119:2013标准。
K4延时继电器设定的时间应超过在最坏的惯性条件下(最大的质量和速度)危险运动的总停止时间。
功能描述:
图8展示了三相电动机通过功率控制器和一个访问锁启动的电路,解锁由时间控制。
功能停止通过S4按钮的触点闭合来实现,导致功率接触器K1断电。
只有在K4设置的时间之后,访问才被允许,其触点带延迟闭合,并且通过开关操作使电磁阀S5解锁, energizing电磁阀S7并允许解除保护。只有在保护关闭并锁定的情况下,才能重新启动发动机。
设备 S1 的正常打开触点不允许在保护打开时电磁阀 S7 失电。
预防意外启动是通过K1接点并联与启动按钮S3实现的。
断路器Q1将执行过载和短路保护功能,发生上述任一事件时,该装置将切断电机M1的供电。
电磁阀 S7 具有通电时解锁的特点,也就是说,执行器 S1 只有在线圈 S7 通电时才允许解锁。
在停电的情况下,断路器断开,导致封条触点打开。在电力恢复后,为了重新启动电机,必须按下S3按钮,以防止意外启动。
结论:
根据图8中展示的安全系统结构和行为,该系统在与安全相关的停机、停止运动前的预防访问(假设定时器已正确配置)和预防意外启动功能上达到了1类标准,因为S1执行器、定时器继电器K4或功率接触器K1的故障会导致安全功能的丧失。